Plaster Panel Mouldings are used to enhance the ceiling or walls with a touch of elegance
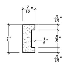
This plaster Picture Rail, Item # DC401-091, with its decorative architectural design, will give your room the finishing touch it needs, with an exceptional defining look. It is hand carved and sculpted delicately. This product is of high strength and superb durability guaranteeing it to last for generations to enjoy. It will not shift or shrink with changes in temperature or humidity preventing any seams from being exposed.





